Dessus de vanité de 55 pouces
1 produit
Affiche 1 - 1 de 1 produit
Affiche 1 - 1 de 1 produit
Afficher
Voir
Economisez 25%


Crown
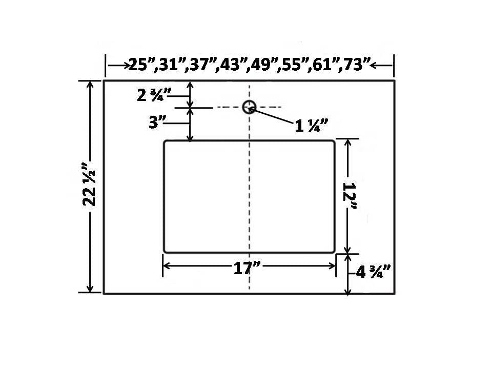
Dessus de meuble-lavabo en quartz de 55 po CYG044
Prix réduit$599.00
Prix normal$799.00
En stock
Filtres (0)
